
مصنوعات کی تفصیلی وضاحت
| فائدہ: | تیز رفتار | لیبلنگ کی رفتار: | 60-200pcs / منٹ |
|---|---|---|---|
| فنکشن: | Ahesive اسٹیکر لیبلنگ | مواد: | سٹینلیس سٹیل |
| بوتل کی قسم: | خودکار گول بوتل لیبلر جار | درخواست: | راؤنڈ کنٹینر کے تمام قسم کے لئے |
| پی ایل سی برانڈ: | دوستیشی (جاپان | امدادی لیبلنگ موٹر: | ڈیلٹا (تائیوان) |
ریڈ شراب لیبلنگ مشین گلاس شراب کی بوتل لیبلنگ مشین ، PLC کنٹرول سسٹم دوستیشی برانڈ لیبلنگ مشین
خصوصیات:
1. آپریشن: PLC کنٹرول سسٹم لیبلنگ مشین کو چلانے میں آسان بناتا ہے
2. مواد: لیبلنگ مشین کا مرکزی جسم SUS304 سٹینلیس سٹیل سے بنا ہے
3. تشکیل: ہماری لیبلنگ مشینیں معروف جاپانی ، جرمن ، امریکی ، کورین یا تائیوان برانڈ پارٹس کو اپناتی ہیں
4. لچک: کلائنٹ پرنٹر اور کوڈ مشین شامل کرنے کا انتخاب کرسکتے ہیں۔ کنویریر کے ساتھ رابطہ قائم کرنے کا انتخاب کرسکتے ہیں یا نہیں۔
تکنیکی پیرامیٹرز:
| نام | تیز رفتار آستین کے لئے خودکار گول شراب کی بوتل سکڑ راؤنڈ بوتل لیبلنگ مشین |
| لیبل لگانے کی رفتار | 60-350 پی سیز / منٹ |
| آبجیکٹ کی اونچائی | 30-350 ملی میٹر |
| آبجیکٹ کی موٹائی | 20-120 ملی میٹر |
| لیبل کی اونچائی | 5-180 ملی میٹر |
| لیبل کی لمبائی | 25-300 ملی میٹر |
| لیبل رولر قطر کے اندر | 76 ملی میٹر |
| لیبل رولر باہر قطر سے باہر | 420 ملی میٹر |
| لیبلنگ کی درستگی | mm 1 ملی میٹر |
| بجلی کی فراہمی | 220V 50 / 60HZ 3.5KW |
| پرنٹر کی گیس کی کھپت | 5 کلوگرام / ایم 2 (اگر کوڈنگ مشین شامل کریں) |
| لیبلنگ مشین کا سائز | 2800 (L) × 1650 (W) 00 1500 (H) ملی میٹر |
| لیبلنگ مشین کا وزن | 180 کلوگرام |
تشکیل
| نہیں. | حصہ | برانڈ | مقدار |
| 1 | پی ایل سی | مٹشوشی (جاپان) | 1 |
| 2 | مین کنورٹر | ڈینفوس (ڈنمارک) | 1 |
| 4 | HMI | WEINVIEW (تائیوان) | 1 |
| 5 | سرو لیبلنگ موٹر | ڈیلٹا (تائیوان) | 1 |
| 6 | امدادی لیبلنگ موٹر ڈرائیور | ڈیلٹا (تائیوان) | 1 |
| 7 | کنویر موٹر | HY (تائیوان) | 1 |
| 8 | کنویر موٹر گیئر باکس | HY (تائیوان) | 1 |
| 9 | بوتل موٹر تقسیم کرنا | جی پی جی (تائیوان) | 1 |
| 10 | بوتل موٹر گیئر باکس تقسیم کرنا | جی پی جی (تائیوان) | 1 |
| 11 | بوتل علیحدہ موٹر اسپیڈ گورنر | جی پی جی (تائیوان) | 1 |
| 12 | موٹر بولی | جی پی جی (تائیوان) | 1 |
| 13 | موٹر گیئر باکس بولا | جی پی جی (تائیوان) | 1 |
| 14 | اعتراض جادو کی آنکھ کا پتہ لگانے کے | اومرون (جاپان) | 1 |
| 15 | آپٹیکل فائبر | اومرون (جاپان) | 1 |
مشین تفصیل:

32 مین لیبلنگ مشین پرزے

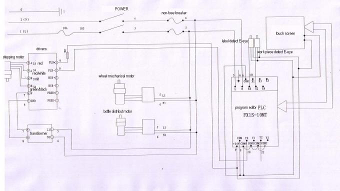
سرکٹ ڈایاگرام

عمومی سوالات:
1.بلبل بلبلوں ہو جاتا ہے
وجوہات:
board چھلکا اتارنا اچھا نہیں / فلیٹ نہیں ہے۔
low ہل بورڈ اچھا نہیں / فلیٹ نہیں۔
③ لیبلنگ آؤٹ پٹ بہت تیز ہے یا اسمبلی لائن کی رفتار بہت کم ہے۔
④ لیبل بھی ڈھیلا پڑا ہے
حل:
off بورڈ سے دور فلیٹ کے چھلکے کو تبدیل کرنا؛
flat فلیٹ پلو بورڈ تبدیل کریں۔
label لیبلنگ آؤٹ پٹ کی رفتار کو کم کریں یا اسمبلی لائن کی رفتار میں اضافہ کریں۔
label لیبل بیلٹ کو مناسب طریقے سے متاثر کریں۔
ٹیگ: صنعتی لیبلنگ مشین ، شیشے کی بوتل لیبلنگ مشین









